logo
Home > products > Accelerometer Sensor >
Honeywell QA2000 Quartz Flexible Accelerometer for Inertial Navigation

Honeywell QA2000 Quartz Flexible Accelerometer for Inertial Navigation

Aircraft Flexible Acceleration Sensor

Military Grade Acceleration Sensor

Flexible Quartz Accelerometer Sensor

Place of Origin:

China (Mainland)

Brand Name:

Honeywell

Certification:

certificate of explosion-proof, CE

Model Number:

QA-2000

Contact Us
Request A Quote
Product Details
Input Range:
1
Bias [mg:
1
Temperature Sensitivity [ppm/ºC:
1
Bandwidth [Hz:
1
Case Material:
300 Series Stainless Steel
Shock [g:
1
Highlight:

Aircraft Flexible Acceleration Sensor

,

Military Grade Acceleration Sensor

,

Flexible Quartz Accelerometer Sensor

Payment & Shipping Terms
Minimum Order Quantity
1pcs
Packaging Details
each unit has individual box and all boxes are packed in standard packages or customers requests available
Delivery Time
5-8 working days
Payment Terms
T/T,Western Union,MoneyGram
Supply Ability
1000 Pieces per Week
Product Description
Honeywell QA2000 Military Grade Quartz Flexible Accelerometer
Product Specifications
Attribute Value
Input Range 1
Bias [mg] 1
Temperature Sensitivity [ppm/ºC] 1
Bandwidth [Hz] 1
Case Material 300 Series Stainless Steel
Shock [g] 1
Product Overview

Q-Flex® QA-2000 Accelerometer - The inertial navigation standard.

Honeywell manufactures the QA2000, which serves as the benchmark for inertial navigation. It is the leading sensor employed in contemporary commercial and military aircraft strap-down inertial navigation systems. The QA2000's long-term repeatability and outstanding reliability render it the most cost-effective inertial-grade accelerometer in the current market.

Honeywell QA2000 Quartz Flexible Accelerometer for Inertial Navigation 0
Key Features
  • Excellent turn-on repeatability performance
  • Environmentally rugged design
  • Analog output capability
  • Field-adjustable range
  • Three fastener precision mounting flange
  • Internal temperature sensor for thermal compensation
  • Dual built-in self-test functionality
Technical Details

Similar to the entire Q-Flex family of accelerometers, the QA2000 incorporates a patented Q-Flex® etched-quartz-flexure seismic system. The amorphous quartz proof-mass structure ensures excellent repeatability in terms of bias, scale factor, and axis alignment.

The integrated electronics generates an acceleration-proportional output current for both static and dynamic acceleration measurements. Through the utilization of a customer-supplied output load resistor, which is appropriately sized according to the acceleration range of the specific application, the output current can be transformed into a voltage.

The QA2000 also features a current-output internal temperature sensor. By implementing temperature-compensating algorithms, the performance in terms of bias, scale factor, and axis misalignment is significantly enhanced.

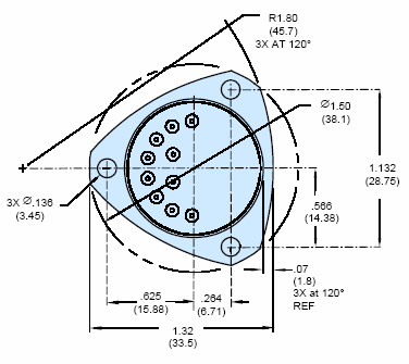
Configuration Drawings
Honeywell QA2000 Quartz Flexible Accelerometer for Inertial Navigation 1 Honeywell QA2000 Quartz Flexible Accelerometer for Inertial Navigation 2
Performance Characteristics

Additional product specifications, outline drawings and block diagrams, and test data are available on request.

Honeywell QA2000 Quartz Flexible Accelerometer for Inertial Navigation 3

Send your inquiry directly to us

Privacy Policy China Good Quality Water Quality Sensor Supplier. Copyright © 2018-2025 Xi'an Kacise Optronics Co.,Ltd. . All Rights Reserved.